L-S4-S1
产品参数
级别:超高纯
材料:316L Semi F20 UHP
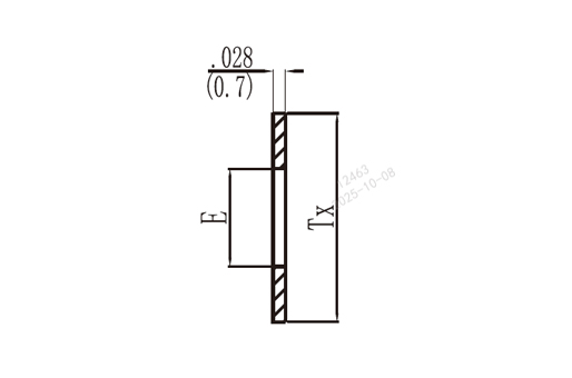
表面粗糙度:Ra5 uin.(Ra0.125um)
表面处理:电解抛光Semi F19 UHP
清洁:无尘室超高纯精密清洁
包装:无尘室双层包装
滚动
流道面技术标准
耐腐蚀性优秀的耐腐蚀性能,表面Cr/Fe>2.5,Cr-O/Fe-0≥3.5;
清洁度流道面超高纯精密清洁,表面清洁度满足Semi F19 5.6 UHP要求。




















