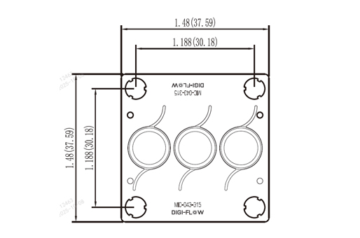
MIC-043-315
产品参数
材质:采用SEMI F20 UHP(超高纯)级别不锈钢
漏率:漏率 ≤ 1×10 -10Pa.m3/sec.He
表面化学特性:产品电解抛光处理,Cr/Fe≥2.5,Cr-O/Fe -O≥3.5, 氧化层厚度≥20埃,粗糙度≤Ra0.1μm
清洗与包装:无尘室超洁净清洗包装
技术标准:最高承受温度200°C,最大工作压力130MPa
质量保证:全材料和工艺过程可追溯
滚动
流道面技术标准
耐腐蚀性优秀的耐腐蚀性能,表面Cr/Fe>2.5,Cr-O/Fe-0≥3.5;
清洁度流道面超高纯精密清洁,表面清洁度满足Semi F19 5.6 UHP要求。




















